50T,150T系列固定容量幫浦 | 大生油壓機器廠
Toggle navigation
TW
/
EN
/
VN
/
IDN
/
CN
公司簡介
最新消息
產品介紹
聯絡我們
注意事項
詢問車
首頁
產品介紹
50T,150T,+S系列
固定容量/雙聯葉片幫浦
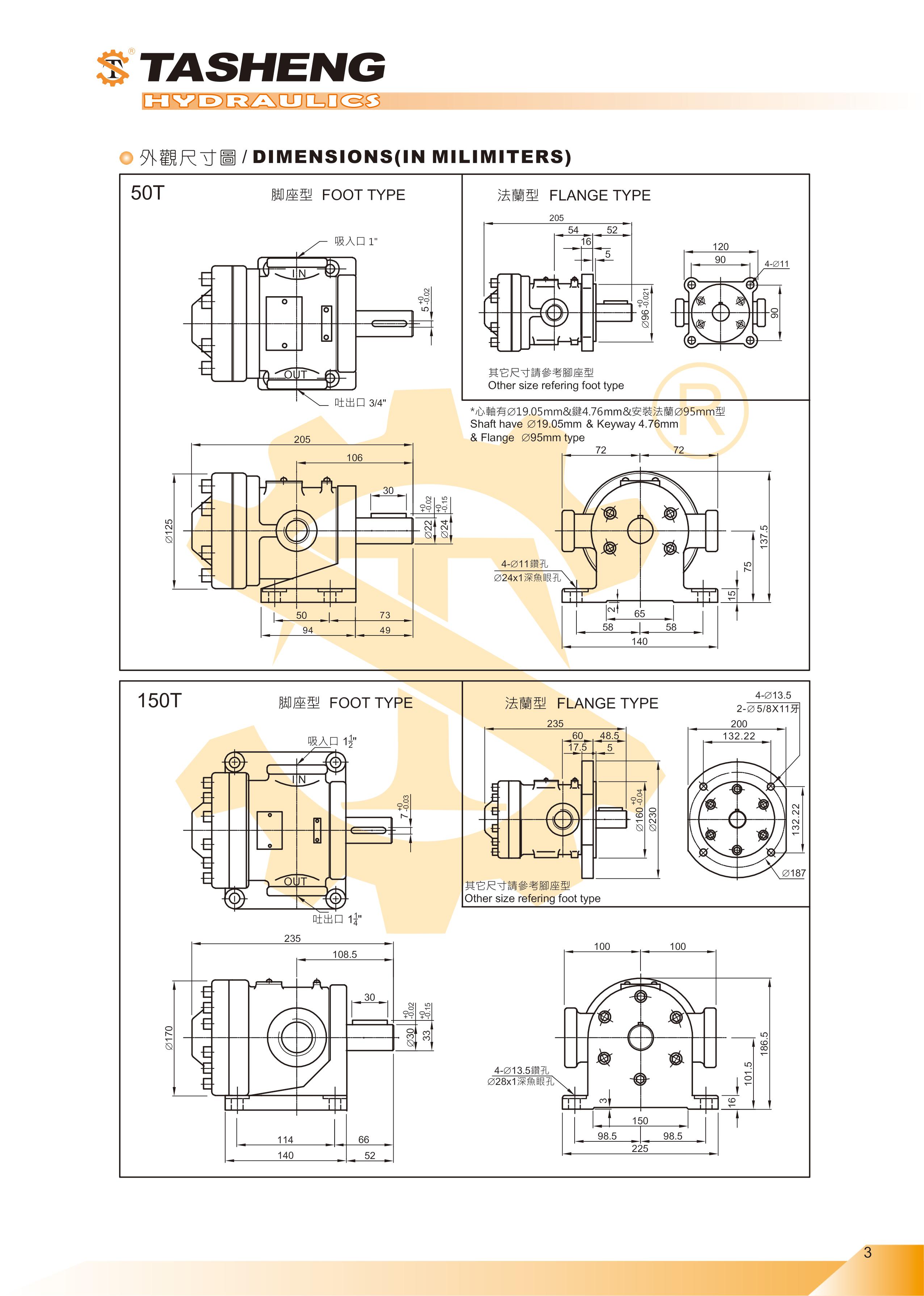
50T,150T系列
固定容量幫浦
50T,150T系列
固定容量幫浦
50T,150T系列
固定容量幫浦
加入詢問車
產品說明
回上層