DS,HVP-FAI loạtBơm công suất cố định | TA SHENG HYDRAULICS INDUSTRIAL CO.
TA SHENG HYDRAULICS INDUSTRIAL CO.
TW
/
EN
/
VN
/
IDN
/
CN
  • Giới thiệu công ty
  • Tin tức mới
  • Giới thiệu sản phẩm
  • Phương thức liên hệ
  • Hạng mục chú ý
  • Khu vực video
  • Yêu cầu sản phẩm
  • Trang đầu
  • Giới thiệu sản phẩm
  • DS,HVP-FAI loạt
    Bơm công suất cố định

Giới thiệu sản phẩm

  • 50T,150T loạt
    Bơm (hai) cánh gạt dung lượng cố định
    • 50T,150T loạt
      Bơm cánh gạt dung lượng cố định
    • 50T, 150T, + S loạt
      Bơm định lượng cố định / Bơm cánh quạt đôi
    • 50T,150T+S loạt
      Máy bơm đôi áp suất cao và áp suất cao
  • PV2R loạt
    áp lực cao áp lực cố định (đôi) lá bơm
    • PV2R (1.2.3) loạt
      áp suất cao cố định Bơm cánh quạt
    • PV2R(12.13.23)loạt Dòng bơm áp lực cao
  • VQ15 loạt
    áp lực cao áp lực cố định (đôi) lá bơm
  • DS,HVP-FAI loạt
    Bơm công suất cố định
  • GH1-C,SKD loạt
    Bánh răng (hoá chất) bơm
    • GH1-C(hóa chất),SKD loạt
      Bơm bánh răng
    • GH-W loạt
      Bơm bánh răng (nước cắt nitrate)
    • GH1 & 2-C / W-HR loạt
      Bơm bánh răng (bao gồm cả tấm bộ điều hợp)
  • VTA,B,C&N +S loạt
    Bơm van dung lượng khả biến
    • VTA loạt
      Bơm cánh quạt dung lượng khả biến
    • VTN,VTB loạt
      Bơm cánh quạt dung lượng khả biến
    • VTB+S, VTC +S loạt
      Bơm van dung lượng khả biến
    • VTB+S, VTC +S loạt
      Bơm van dung lượng khả biến
  • VTA,(B),(C)D loạt
    Bơm cánh quạt dung lượng khả biến kép
    • VTAD,VTBD loạt
      Bơm cánh quạt dung lượng khả biến kép
    • VTCD loạt
      Bơm cánh quạt dung lượng khả biến áp suất trung bình kép
  • VPS loạt
    Bơm piston dung lượng khả biến cao áp
    • VPS
      loạt Bơm piston dung lượng khả biến cao áp
  • P & PP loạt
    Bơm piston dung lượng khả biến cao áp đôi
  • K1P,SGP1,SPG2 loạt
    Bơm cao áp Nhật Bản
  • Kết hợp động cơ điện
  • Động cơ nhập khẩu
  • TAO-W
    Máy tách nước

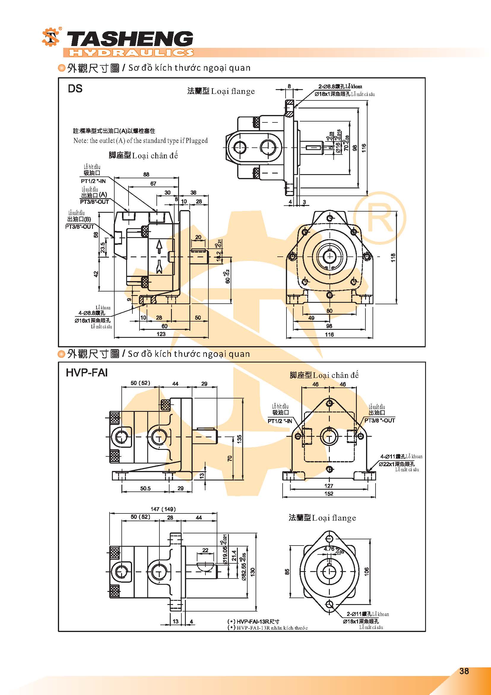
DS,HVP-FAI loạt
Bơm công suất cố định

  • DS,HVP-FAI loạt<br>Bơm công suất cố định 1
  • DS,HVP-FAI loạt<br>Bơm công suất cố định 2

DS,HVP-FAI loạt
Bơm công suất cố định

Thêm vào xe hỏi thông tin
  • Giới thiệu sản phẩm
    Back to the top
    LIÊN KẾT NHÓM
            
     
    VỊ TRÍ

    TA SHENG CÔNG NGHIỆP THỦY LỢI CÔNG NGHIỆP
    ĐT: +886-4-23359117
    FAX: +886-4-23359886
    Liên hệ: Lin Junxian Mobile: 0932-502344 (Tư vấn kỹ thuật)
                Điện thoại di động: 13927744832            
    Sản xuất tại Đài Loan
    https://www.tashengtw.com             
    e-mail: tashengtwco@gmail.com
    Địa chỉ: Số 50-36, Chengfong Ln., Taiming Rd., Wurih Dist., Thành phố Taichung 41468, Đài Loan (R.O.C.)

    FACEBOOK FAN CLUB
    大生油壓機器廠