VPS 高壓可變容量柱塞幫浦 | 大生油壓機器廠
大生油壓機器廠
TW
/
EN
/
VN
/
IDN
/
CN
  • 公司簡介
  • 最新消息
  • 產品介紹
  • 聯絡我們
  • 注意事項
  • 詢問車
  • 首頁
  • 產品介紹
  • VPS 系列
    高壓可變容量柱塞幫浦
  • VPS
    高壓可變容量柱塞幫浦

產品介紹

  • 50T,150T,+S系列
    固定容量/雙聯葉片幫浦
    • 50T,150T系列
      固定容量幫浦
    • 50T,150T,+S系列
      固定容量雙聯式葉片幫浦
    • 50T,150T,+S系列
      高低壓型組合幫浦
  • PV2R系列
    高壓固定容量(雙聯)葉片幫浦
    • PV2R(1.2.3)系列
      高壓固定容量葉片幫浦
    • PV2R(12.13.23)系列
      高壓固定容量雙聯葉片幫浦
  • VQ15系列
    高壓固定容量葉片幫浦
  • DS,HVP-FAI系列
    固定容量葉片幫浦
  • GH1-C,SKD系列
    齒輪(化工)幫浦
    • GH1-C,SKD系列
      齒輪(化工)幫浦
    • GH-W系列
      齒輪(切硝水)幫浦
    • GH1&2-C/W-HR 系列含轉接板
  • VTA,B,C&N +S系列
    可變容量葉片幫浦
    • VTA系列
      可變容量葉片幫浦
    • VTN,VTB系列
      可變容量葉片幫浦
    • VTC,VTCS系列
      中壓可變容量葉片幫浦
    • VTB+S,VTC+S系列
      可變葉片幫浦+齒輪幫浦
  • VTA,(B),(C)D系列
    雙聯可變容量葉片幫浦
    • VTAD,VTBD系列
      雙聯可變容量葉片幫浦
    • VTCD系列
      雙聯中壓可變容量葉片幫浦
  • VPS 系列
    高壓可變容量柱塞幫浦
    • VPS
      高壓可變容量柱塞幫浦
  • P & PP 系列
    (雙聯)高壓可變容量柱塞幫浦
  • K1P,SGP1,SPG2 系列
    日本高壓齒輪幫浦
  • 電動馬達組合
  • 進口馬達

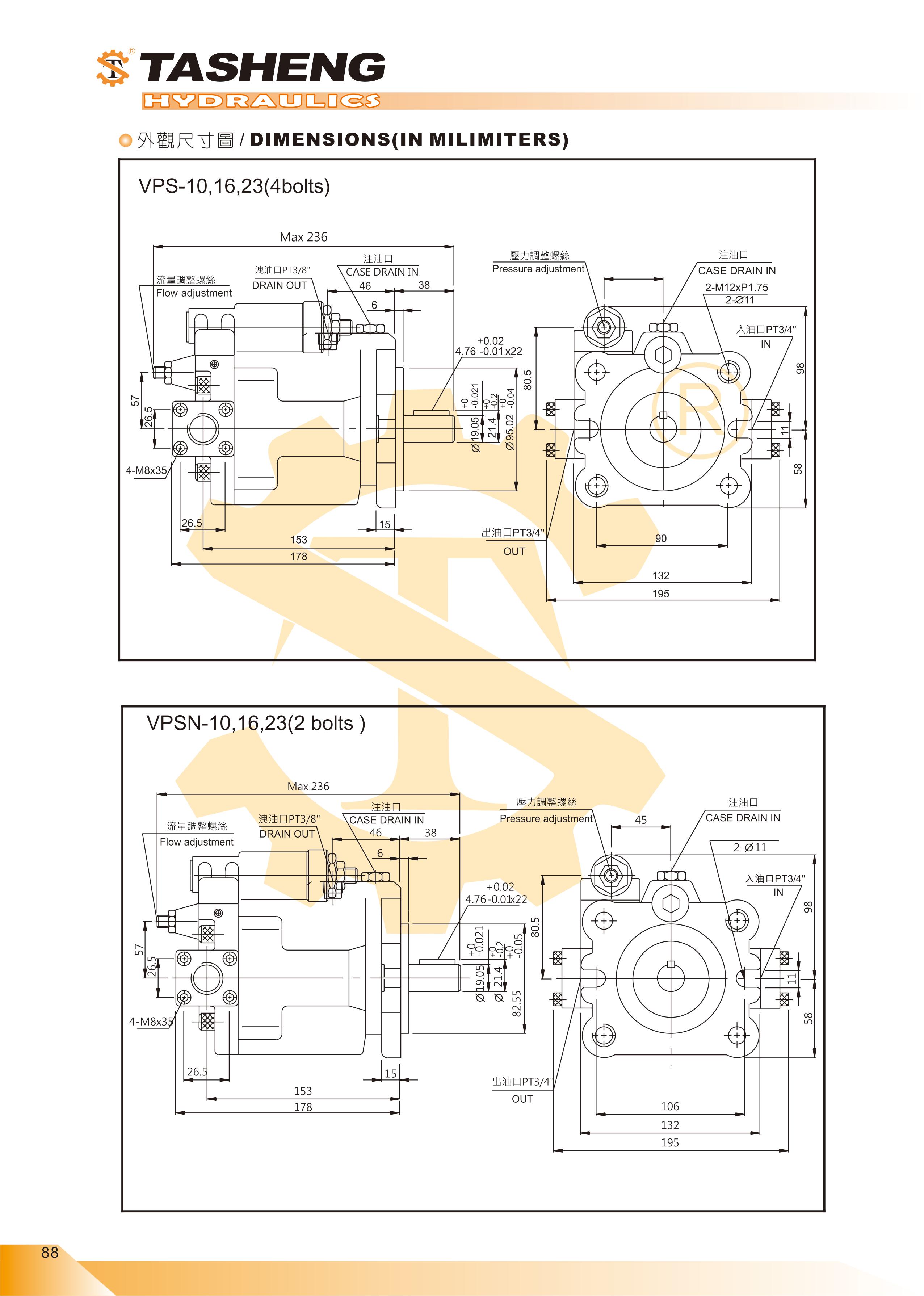
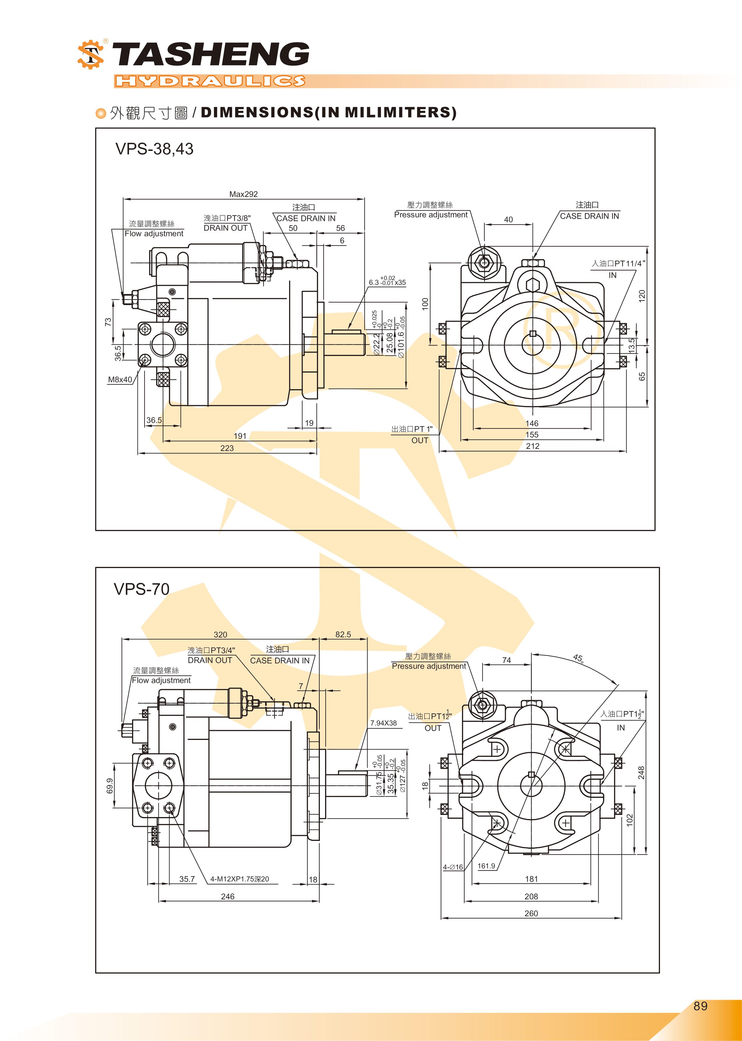
VPS
高壓可變容量柱塞幫浦

  • VPS <br>高壓可變容量柱塞幫浦 1

VPS
高壓可變容量柱塞幫浦

加入詢問車
產品說明
回上層
MORE CHIC AND CHICK
        
 
LOCATION

大生油壓機器廠
TA SHENG HYDRAULICS INDUSTRIAL CO. 


TEL:+886-4-23359117

FAX:+886-4-23359886
聯絡人:林俊賢  行動電話 : 0932-502344(技術咨詢)
                    行動電話 : 13927744832(微信)
                    行動電話 : 13302564375
                    
台灣原廠製造(Made in Taiwan)

網址:
https://www.tashengtw.com           

e-mail:tashengtwco@gmail.com
地址:41468台中市烏日區太明路成豐巷50-36號
No.50-36, Chengfong Ln., Taiming Rd., Wurih Dist., Taichung City 41468, Taiwan (R.O.C.)

FACEBOOK FAN CLUB
大生油壓機器廠