VPS loạt Bơm piston dung lượng khả biến cao áp | TA SHENG HYDRAULICS INDUSTRIAL CO.
TA SHENG HYDRAULICS INDUSTRIAL CO.
TW
/
EN
/
VN
/
IDN
/
CN
  • Giới thiệu công ty
  • Tin tức mới
  • Giới thiệu sản phẩm
  • Phương thức liên hệ
  • Hạng mục chú ý
  • Khu vực video
  • Yêu cầu sản phẩm
  • Trang đầu
  • Giới thiệu sản phẩm
  • VPS loạt
    Bơm piston dung lượng khả biến cao áp
  • VPS
    loạt Bơm piston dung lượng khả biến cao áp

Giới thiệu sản phẩm

  • 50T,150T loạt
    Bơm (hai) cánh gạt dung lượng cố định
    • 50T,150T loạt
      Bơm cánh gạt dung lượng cố định
    • 50T, 150T, + S loạt
      Bơm định lượng cố định / Bơm cánh quạt đôi
    • 50T,150T+S loạt
      Máy bơm đôi áp suất cao và áp suất cao
  • PV2R loạt
    áp lực cao áp lực cố định (đôi) lá bơm
    • PV2R (1.2.3) loạt
      áp suất cao cố định Bơm cánh quạt
    • PV2R(12.13.23)loạt Dòng bơm áp lực cao
  • VQ15 loạt
    áp lực cao áp lực cố định (đôi) lá bơm
  • DS,HVP-FAI loạt
    Bơm công suất cố định
  • GH1-C,SKD loạt
    Bánh răng (hoá chất) bơm
    • GH1-C(hóa chất),SKD loạt
      Bơm bánh răng
    • GH-W loạt
      Bơm bánh răng (nước cắt nitrate)
    • GH1 & 2-C / W-HR loạt
      Bơm bánh răng (bao gồm cả tấm bộ điều hợp)
  • VTA,B,C&N +S loạt
    Bơm van dung lượng khả biến
    • VTA loạt
      Bơm cánh quạt dung lượng khả biến
    • VTN,VTB loạt
      Bơm cánh quạt dung lượng khả biến
    • VTB+S, VTC +S loạt
      Bơm van dung lượng khả biến
    • VTB+S, VTC +S loạt
      Bơm van dung lượng khả biến
  • VTA,(B),(C)D loạt
    Bơm cánh quạt dung lượng khả biến kép
    • VTAD,VTBD loạt
      Bơm cánh quạt dung lượng khả biến kép
    • VTCD loạt
      Bơm cánh quạt dung lượng khả biến áp suất trung bình kép
  • VPS loạt
    Bơm piston dung lượng khả biến cao áp
    • VPS
      loạt Bơm piston dung lượng khả biến cao áp
  • P & PP loạt
    Bơm piston dung lượng khả biến cao áp đôi
  • K1P,SGP1,SPG2 loạt
    Bơm cao áp Nhật Bản
  • Kết hợp động cơ điện
  • Động cơ nhập khẩu
  • TAO-W
    Máy tách nước

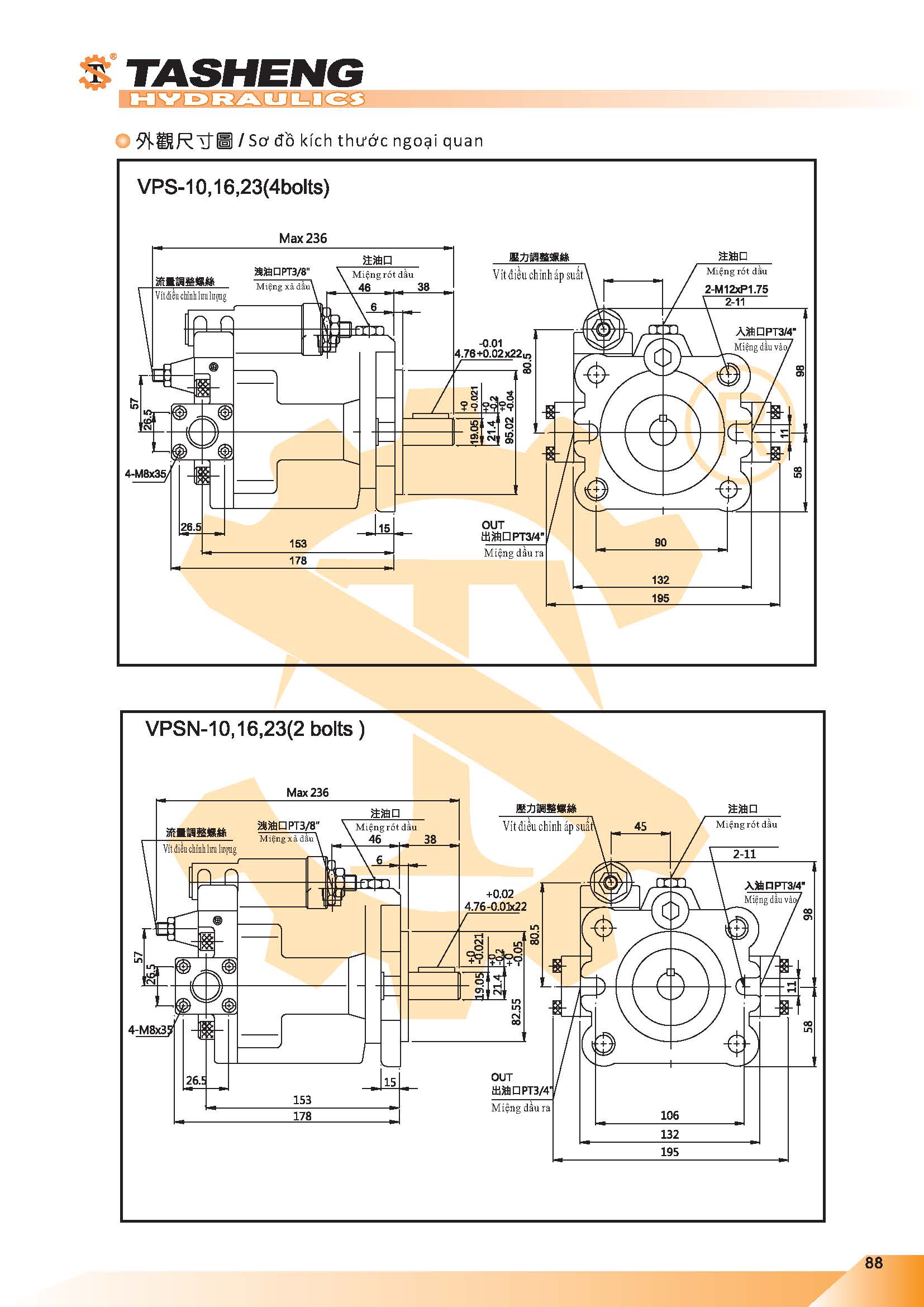
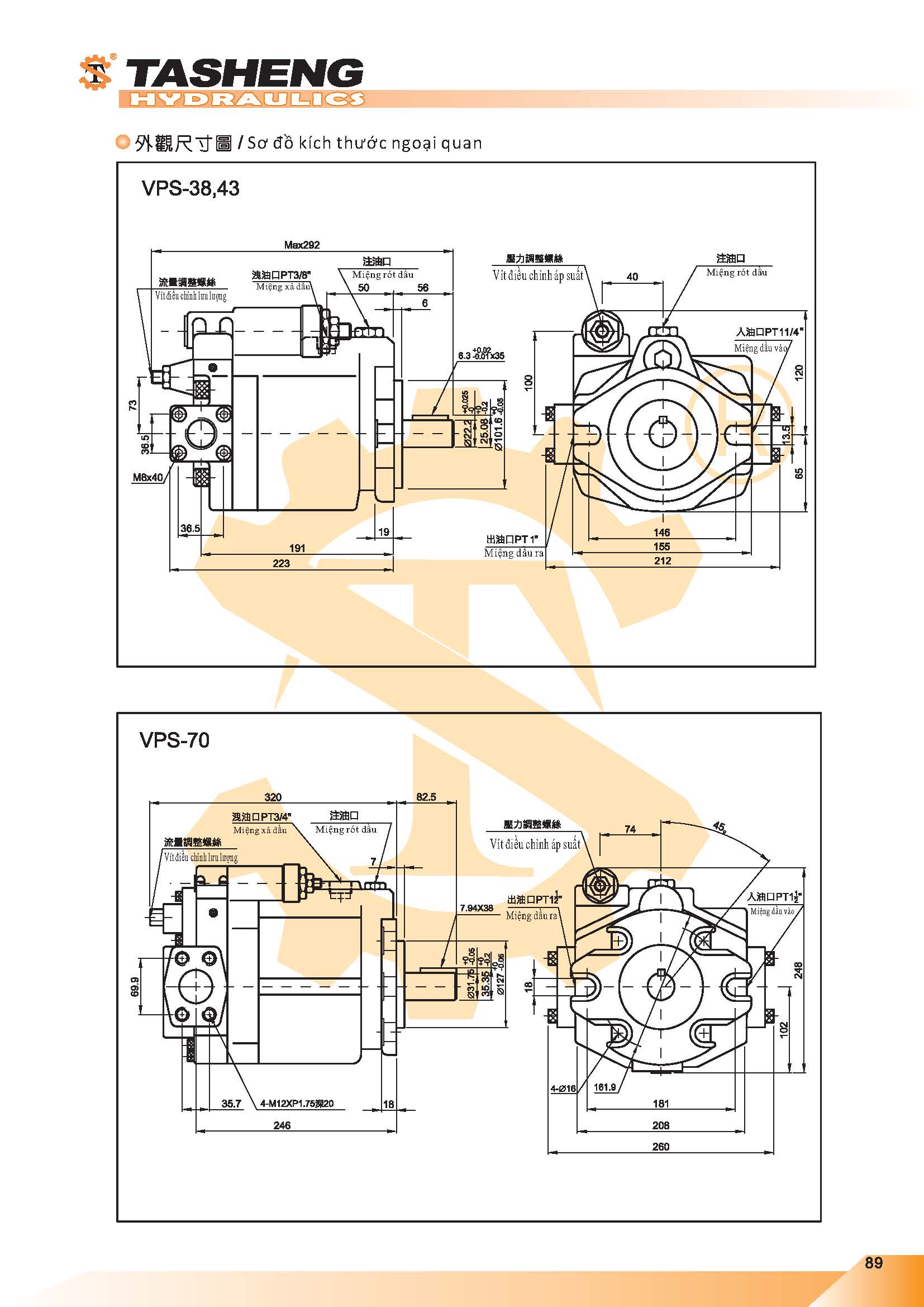
VPS
loạt Bơm piston dung lượng khả biến cao áp

VPS
loạt Bơm piston dung lượng khả biến cao áp

Thêm vào xe hỏi thông tin
Giới thiệu sản phẩm
Back to the top
LIÊN KẾT NHÓM
        
 
VỊ TRÍ

TA SHENG CÔNG NGHIỆP THỦY LỢI CÔNG NGHIỆP
ĐT: +886-4-23359117
FAX: +886-4-23359886
Liên hệ: Lin Junxian Mobile: 0932-502344 (Tư vấn kỹ thuật)
            Điện thoại di động: 13927744832            
Sản xuất tại Đài Loan
https://www.tashengtw.com             
e-mail: tashengtwco@gmail.com
Địa chỉ: Số 50-36, Chengfong Ln., Taiming Rd., Wurih Dist., Thành phố Taichung 41468, Đài Loan (R.O.C.)

FACEBOOK FAN CLUB
大生油壓機器廠